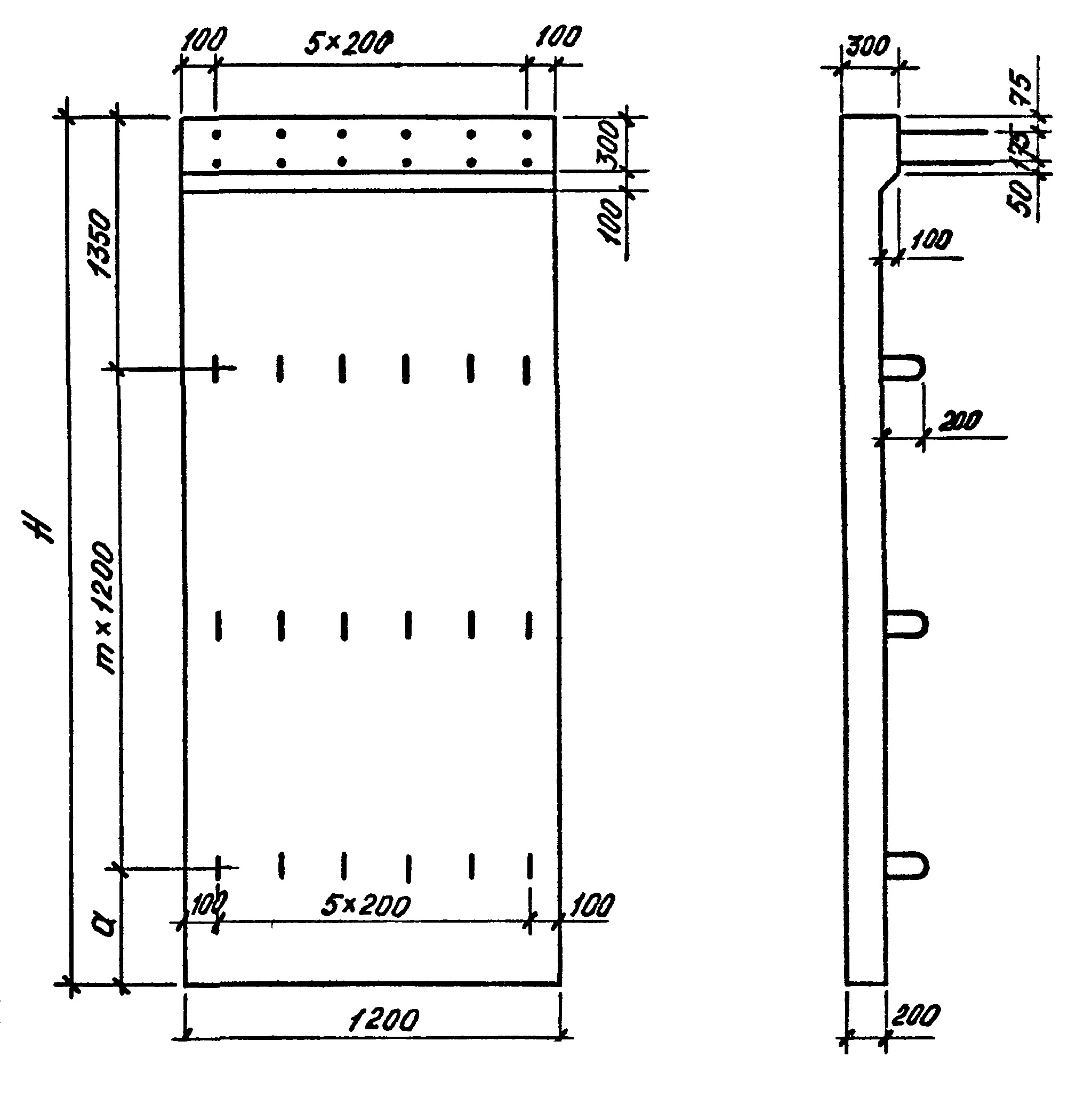
Плита фундаментная плоская ППФ 15-63 ТУ предназначена для использования в строительстве как основание для фундаментов зданий и сооружений. Она обладает высокой прочностью и устойчивостью к воздействию внешних нагрузок, что делает ее идеальным выбором для создания надежного фундамента.









